F&F CZF-2 Czujnik zaniku faz z kontrolą stycznika

Dostępność: 0
Cena: 92,27 zł 92.27
ilość szt.

towar niedostępny

dodaj do przechowalni
Ocena: 0
Producent: F&F
Kod produktu: F&F-007064

Opis

  • Producent: F&F
  • Kod EAN: 5908312593034
  • Kod producenta: CZF-2
  • Napięcie zasilania: 3 × 400 V + N
  • Współpraca z agregatami prądotwórczymi: NIE
  • Kontrola zaniku / asymetrii faz: TAK
  • Kontrola kolejności faz: NIE
  • Kontrola styków stycznika: TAK
  • Element wykonawczy: Przekaźnik
  • Maksymalny prąd obciążenia: 10 A
  • Konfiguracja styków: 1 × NO
  • Separacja styku: TAK
  • Asymetria napięciowa zadziałania: 45 V
  • Histereza napięciowa: 5 V
  • Opóźnienie wyłączenia: 4 s
  • Kontrola zasilania: 2 × LED
  • Przyłącze: Zaciski śrubowe 1,5 mm²
  • Moment dokręcający: 0,4 Nm
  • Pobór mocy: 1,6 W
  • Temperatura pracy: -25÷40°C
  • Wymiary: 95 mm x 60 mm x 25 mm
  • Montaż: Natynkowy
  • Stopień ochrony: IP20

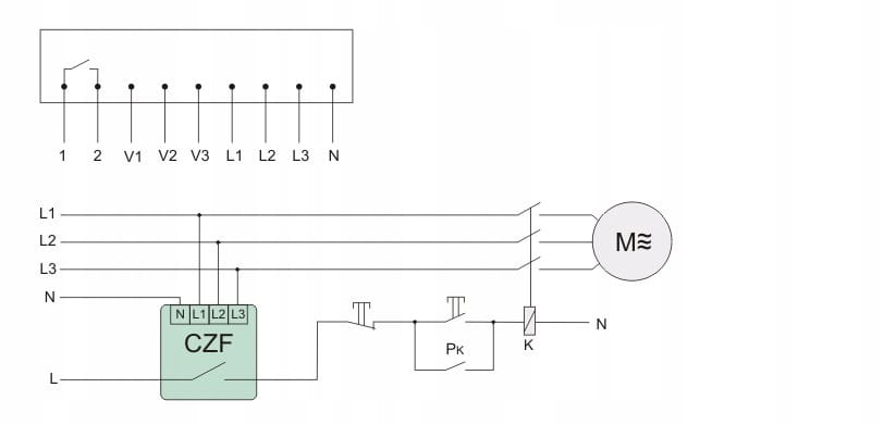
Czujnik zaniku fazy z kontrolą styków stycznika przeznaczony jest do zabezpieczenia silników elektrycznych zasilanych z sieci trójfazowej w przypadkach zaniku napięcia w co najmniej jednej fazie lub asymetrii napięć między fazami oraz uszkodzenia styków stycznika załączającego, grożącymi zniszczeniem silnika.

DziałanieZanik napięcia w co najmniej jednej, dowolnej fazie lub asymetria napięciowa między fazami powyżej progu zadziałania spowoduje wyłączenie silnika. Wyłączenie nastąpi z opóźnieniem 4 s, co zapobiega odłączeniu silnika przy chwilowym spadku napięcia. Ponowne załączenie nastąpi automatycznie przy  wzroście napięcia o 5 V powyżej napięcia zadziałania (tj. o wartość histerezy napięciowej). Awaria któregokolwiek ze styków stycznika załączającego silnik spowoduje wyłączenie silnika na stałe. Ponowne uruchomienie możliwe jest dopiero po całkowitym odłączeniu zasilania, usunięciu usterki stycznika i ponownym załączeniu.

Produkty powiązane

Opinie o produkcie (0)

do góry
Sklep jest w trybie podglądu
Pokaż pełną wersję strony
Sklep internetowy Shoper.pl