F&F LE-03MQ-CT Trójfazowy dwukierunkowy licznik półpośredni Modbus RTU 100(5)A; MID

Dostępność: 6
Wysyłka w: 24 godziny
Dostawa: Cena nie zawiera ewentualnych kosztów płatności sprawdź formy dostawy
Cena: 822,93 zł 822.93
ilość szt.

towar niedostępny

dodaj do przechowalni

Opis

  • Producent: F&F
  • Kod producenta: LE-03MQ-CT
  • Kod EAN: 5908312599821
  • Typ: trójfazowy
  • Porty: RS-485
  • Protokół komunikacyjny: MODBUS RTU
  • Zgodność: Dyrektywa MID 2014/32/EU
  • Napięcie odniesienia: 3×400 V+N
  • Prąd bazowy: 0,25÷5 A
  • Prąd maksymalny: 6 A
  • Minimalny prąd mierzony: 0,02 A
  • Pobór własny licznika: 10 VA; 2 W
  • Zakres wskazań liczydła: 0÷99999,9 kWh
  • Podświetlenie LCD: TAK
  • Sygnalizacja sczytywania: 2 x LED
  • Klasa dokładności: B
  • Stała licznika kWh/kvarh: 0,01; 0,1; 1; 10; 100; 1000 imp.
  • Wyjście impulsowe kWh/kvarh: otwarty kolektor
  • Napięcie podłączenia kWh/kvarh: maks. 30 V DC
  • Prąd podłączenia kWh/kvarh: maks. 27 mA
  • Czas impulsu kWh/kvarh: 60, 100, 200 ms
  • Przeciążalność: 30×lmax/10 ms
  • Izolacja: 4 kV/1 min.; 6 kV/1 μs
  • Napięcie mierzone L-N: 100÷289 V AC
  • Napięcie mierzone L-L: 173÷500 V AC
  • Przyłącze: zaciski śrubowe 4,0 mm²
  • Temperatura pracy: -20÷55°C
  • Wymiary: 4 moduły (70 mm)
  • Montaż: na szynie 35 mm
  • Stopień ochrony: IP51
  • Prąd znamionowy (In): 5 A
  • Maksymalny prąd (Imax): 6 A
  • Napięcie znamionowe (Un) N-L: 230 - 400 V

Jednofazowy lub trójfazowy. Podświetlany wyświetlacz LCD. Półpośredni, dwukierunkowy, czterokwadrantowy pomiar energii elektrycznej i parametrów sieci.Zgodny z dyrektywą MID, interfejs komunikacyjny Modbus RTU.

Zgodność;Dyrektywa 2004/22/ECNumer certyfikatu: 0120/SG S0216 Przeznaczenie:

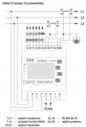
LE-03MQ CT jest statycznym (elektronicznym), wzorcowanym licznikiem energii elektrycznej prądu przemiennego 1-fazowego lub trójfazowego w układzie półpośrednim. Służy do wskazań i rejestracji pobranej energii elektrycznej oraz parametrów sieci zasilającej z możliwością zdalnego odczytu wskazań poprzez przewodową sieć standardu RS-485. Licznik współpracuje z przekładnikami prądowymi (CT) o prądzie wtórnym 1 A lub 5 A. Konfiguracja licznika odbywa się poprzez menu konfiguracyjne dostępne z panelu czołowego oraz poprzez port komunikacyjny zgodnie z funkcjami programowymi Modbus RTU.

Funkcje: 

  • układ 1- lub 3-fazowy (3- i 4-przewodowy)
  • pomiar dwukierunkowy (4-kwadrantowy)
  • przekładniki 1 A lub 5 A
  • przekładnia prądowa 1÷9999
  • wskazanie kWh/kvar (pobrana/oddana)
  • wskazania parametrów sieci
  • zgodność z MID
  • port RS-485
  • protokół Modbus RTU
  • wyjście impulsowe SO (×2)
  • podświetlany, wielofunkcyjny wyświetlacz LCD
  • zabezpieczenie konfiguracji licznika hasłem
Pliki do pobrania:

Dane techniczne

Prąd znamionowy 6

Koszty dostawy Cena nie zawiera ewentualnych kosztów płatności

Kraj wysyłki:

Produkty powiązane

Opinie o produkcie (0)

do góry
Sklep jest w trybie podglądu
Pokaż pełną wersję strony
Sklep internetowy Shoper.pl