F&F LE-03MW Dwutaryfowy licznik energii elektrycznej 3-fazowy 2-kierunkowy z Modbus RTU do pomiaru bezpośredniego

Dostępność: 2
Wysyłka w: 24 godziny
Dostawa: Cena nie zawiera ewentualnych kosztów płatności sprawdź formy dostawy
Cena: 500,65 zł 500.65
ilość szt.

towar niedostępny

dodaj do przechowalni

Opis

  • Producent: F&F
  • Kod producenta: LE-03MW
  • Kod EAN: 5902431671864
  • Typ: trójfazowy
  • Instalacja: 3-fazowa, 4-przewodowa
  • Porty: RS-485
  • Częstotliwość znamionowa: 50 Hz
  • Protokół komunikacyjny: MODBUS RTU
  • Zgodność: Dyrektywa MID 2014/32/EC, 0120/SGS0306, Norma EN50470-1/3
  • Napięcie odniesienia: 3×230/400 V
  • Prąd bazowy: 5 A
  • Prąd maksymalny: 80 A
  • Minimalny prąd mierzony: 0,04 A
  • Pobór własny licznika: 10 VA; 2 W
  • Zakres wskazań liczydła: 8 cyfr
  • Sygnalizacja sczytywania: 2 x LED
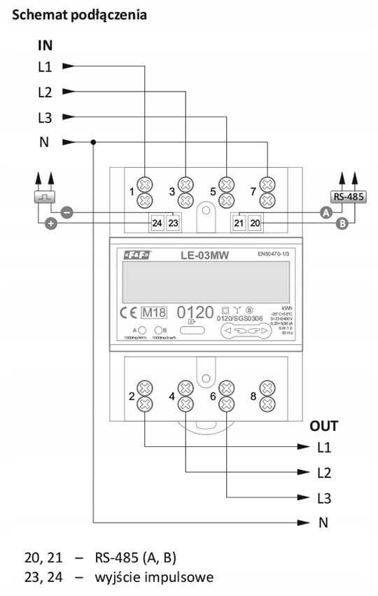
  • Wyjście impulsowe SO+ SO-: otwarty kolektor
  • Napięcie podłączenia SO+ SO-: maks. 30 V DC
  • Prąd podłączenia SO+ SO-: maks. 27 mA
  • Klasa dokładności: B
  • Klasa ochronności izolacji: II klasa
  • Liczba znaków LCD: 8
  • Przeciążalność: 30×lmax/10 ms
  • Izolacja: 4 kV/1 min.; 6 kV/1 μs
  • Napięcie mierzone L-N: 100÷289 V AC
  • Napięcie mierzone L-L: 173÷500 V AC
  • Bity stopu: 1
  • Przyłącze: zaciski śrubowe 25 mm²
  • Temperatura pracy: -25 ÷ 50 °C
  • Wymiary: 76×100×65 mm (4,5 modułu DIN)
  • Montaż: na szynie 35 mm
  • Stopień ochrony: IP51
  • Prędkość transmisji: 1200, 2400, 4800, 9600 bps
  • Parzystość: EVEN

3-fazowy licznik zużycia energii elektrycznej LE-03MW jest urządzeniem elektronicznym i taryfowym. Pozwala mierzyć przepływ energii w dwóch kierunkach. Jest przeznaczony do pomiaru zużycia energii w układzie bezpośrednim. Zgodność z dyrektywą MID. 3-fazowy licznik zużycia energii elektrycznej LE-03MW posiada wbudowany zegar czasu rzeczywistego umożliwiający pomiar zużycia prądu z podziałem na różne strefy taryfowe. Jest wyposażony w interfejsy komunikacyjne RS-485 z protokołem Modbus RTU oraz port optyczny zgodny z normą EN62056 (IEC1107), co umożliwia zdalny odczyt i zdalną konfigurację licznika.

Charakterystyka urządzenia: 

  • 2-kierunkowy, 3-fazowy licznik zużycia energii elektrycznej;
  • pomiar bezpośredni do 80 A;
  • pomiar zużycia energii w czterech strefach taryfowych;
  • wbudowany zegar czasu rzeczywistego z podtrzymaniem bateryjnym do przełączania stref taryfowych;
  • Rejestracja sumarycznego i podzielonego na taryfy poboru: całkowitej energii czynnej i biernej; energii czynnej i biernej rozdzielonej na poszczególne kwadranty,
  • 8 harmonogramów czasowych dzielących dobę na strefy taryfowe;
  • możliwość rozliczania zużytego prądu według innych harmonogramów dla dni roboczych oraz weekendu;
  • możliwość podziału roku na osiem przedziałów czasowych - w każdym przedziale zużycie prądu (dla dni powszednich) może być rozliczane według innego harmonogramu;
  • wskazania parametrów sieci (napięcia, prądy, moc czynna, moc bierna, moc pozorna, współczynnik mocy, częstotliwość)_;
  • obliczanie zapotrzebowania na moc dla poszczególnych taryf;
  • dodatkowy, kasowalny licznik zużycia energii elektrycznej;
  • port RS-485-umożliwia współpracę z aplikacją MeternetPro-zdalny odczyt i konfiguracja licznika zużycia prądu;
  • protokół Modbus RTU-umożliwia współpracę z aplikacją MeternetPro-zdalny odczyt i konfiguracja licznika zużycia prądu;
  • optyczny port komunikacyjny zgodny z normą EN62056 (IEC1107);
  • jedno wyjście impulsowe SO z programowaną liczbą impulsów na kWh;
  • wielofunkcyjny wyświetlacz LCD;
  • zgodność z MID.

Uwaga!3-fazowy licznik zużycia energii elektrycznej LE-03MW posiada możliwość plombowania osłon zacisków wejściowych i wyjściowych uniemożliwiającą zrobienie obejścia licznika.   

Pliki do pobrania:

Dane techniczne

Prąd znamionowy 80

Koszty dostawy Cena nie zawiera ewentualnych kosztów płatności

Kraj wysyłki:

Produkty powiązane

Opinie o produkcie (0)

do góry
Sklep jest w trybie podglądu
Pokaż pełną wersję strony
Sklep internetowy Shoper.pl