F&F LE-03MW-CT Dwutaryfowy licznik energii elektrycznej 3-fazowy 2-kierunkowy z Modbus RTU do pomiaru półpośredniego

Dostępność: 3
Wysyłka w: 24 godziny
Dostawa: Cena nie zawiera ewentualnych kosztów płatności sprawdź formy dostawy
Cena: 516,06 zł 516.06
ilość szt.

towar niedostępny

dodaj do przechowalni

Opis

  • Producent: F&F
  • Kod producenta: LE-03MW-CT
  • Kod EAN: 5902431671871
  • Typ: trójfazowy
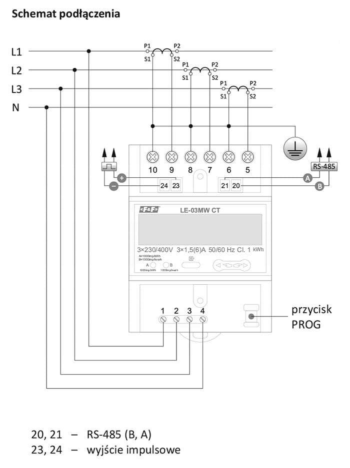
  • Porty: RS-485
  • Protokół komunikacyjny: MODBUS RTU
  • Zgodność: IEC61036
  • Napięcie odniesienia: 3×230/400 V+N
  • Prąd bazowy: 1,5 A
  • Prąd maksymalny: 6 A
  • Minimalny prąd mierzony: 0,003 A
  • Dokładność pomiaru zgodnie z IEC61036: klasa 1
  • Pobór własny licznika: 10 VA; 2 W
  • Zakres wskazań liczydła: zależny od przekładni
  • Stała licznika: zależna od przekładni
  • Sygnalizacja sczytywania: 2 x LED
  • Wyjście impulsowe SO+ SO-: otwarty kolektor
  • Napięcie podłączenia SO+ SO-: maks. 30 V DC
  • Prąd podłączenia SO+ SO-: maks. 27 mA
  • Czas impulsu SO+ SO-: 35 ms
  • Klasa dokładności: 1
  • Liczba znaków LCD: 8
  • Izolacja: 4 kV/1 min.; 6 kV/1 μs
  • Napięcie mierzone L-N: 100÷289 V AC
  • Napięcie mierzone L-L: 173÷500 V AC
  • Bity stopu: 1
  • Przyłącze: zaciski śrubowe 25 mm²
  • Temperatura pracy: -20÷55°C
  • Wymiary: 76×100×65 mm (4,5 modułu DIN)
  • Montaż: na szynie 35 mm
  • Stopień ochrony: IP51
  • Prędkość transmisji: 1200, 2400, 4800, 9600 bps
  • Parzystość: EVEN

LE-03MW CT to elektroniczny, dwukierunkowy licznik zużycia energii elektrycznej prądu trójfazowego. Przeznaczony do pomiaru w układzie półpośrednim.Dzięki interfejsowi komunikacyjnemu RS-485 z protokołem Modbus RTU możliwy jest zdalny odczyt i konfiguracja licznika. Programowalna przekładnia prądowa. Wbudowany zegar czasu rzeczywistego umożliwia pomiar zużycia energii z podziałem na różne strefy taryfowe. Interfejsy komunikacyjne RS-485 z protokołem Modbus RTU oraz port optyczny zgodny z normą EN62056 (IEC1107) umożliwiają zdalny odczyt i konfigurację licznika. Port szeregowy RS-485 i zaimplementowany protokół komunikacyjny MODBUS RTU pozwalają stosować wskaźnik w sieciach zdalnego odczytu danych.

Charakterystyka urządzenia:

* 3-fazowy, dwukierunkowy licznik zużycia energii elektrycznej;

* półpośredni pomiar prądu (bezpośredni pomiar do 6 A);

* pomiar energii w 4 strefach taryfowych;

* wbudowany zegar czasu rzeczywistego z podtrzymaniem bateryjnym do przełączania stref taryfowych;

* rejestracja sumarycznego i podzielonego na taryfy poboru:

-  całkowitej energii czynnej i biernej;

- energii czynnej i biernej rozdzielonej na poszczególne kwadranty;

* 8 harmonogramów czasowych dzielących dobę na strefy taryfowe;

* możliwość rozliczania energii według innych harmonogramów dla dni roboczych oraz weekendu;

* możliwość podziału roku na 8 przedziałów czasowych. W każdym przedziale energia (dla dni powszednich) może być rozliczana według innego harmonogramu;

* wskazania parametrów sieci (napięcia, prądy, moc czynna, moc bierna, moc pozorna, współczynnik mocy, częstotliwość;

* obliczanie zapotrzebowania na moc dla poszczególnych taryf;

* dodatkowy, kasowalny licznik zużycia energii elektrycznej;

* port RS-485, protokół Modbus RTU;

* optyczny port komunikacyjny zgodny z normą EN62056 (IEC1107);

* jedno wyjście impulsowe SO z programowaną liczbą impulsów na kWh;

* wielofunkcyjny wyświetlacz LCD.  

Uwaga!

Licznik podłączenie licznika impulsowego sczytującego (SO) generowane impulsy przez licznik. Do poprawnej pracy wskaźnika nie jest wymagane podłączenie dodatkowego urządzenia. Stała impulsowa licznika wynosi 12000imp/kWh dla maksymalnej wartości prądu wejściowego licznika, czyli prądu wtórnego przekładnika (5A). Przy zastosowaniu dedykowanych przekładników liczbę impulsów przypadających na 1kWh obliczamy z wzoru (12000 × 5)/Ip, gdzie:Ip - prąd pierwotny zastosowanych przekładników.

Przykład:

dla przekładnika 5/5 A (Ip=5): (12000×5)/5=12000 imp/kWh

dla przekładnika 100/5 A (Ip=100): (12000×5)/100=600 imp/kWh   

Uwaga!

Licznik zużycia prądu posiada możliwość plombowania osłon zacisków wejściowych i wyjściowych uniemożliwiające zrobienie obejścia licznika.

Pliki do pobrania:

Dane techniczne

Prąd znamionowy 6

Koszty dostawy Cena nie zawiera ewentualnych kosztów płatności

Kraj wysyłki:

Produkty powiązane

Opinie o produkcie (0)

do góry
Sklep jest w trybie podglądu
Pokaż pełną wersję strony
Sklep internetowy Shoper.pl